Reed Magnetic Switch by 1 LEAP Technologies
Industrial Overhead & Garage Door with Mounting Brackets
Key Features
- 1/4″ Press Fit Mini Switch
- Operating Gap 1/2″ (12 mm) min
- 18″ long wire Leads

1L-MSO-102L Overhead Mount Magnetic Switch is specifically tailored to magnetic reed switch manufactured by 1 LEAP Technologies, a trusted Magnetic Reed Switch Manufacturer and Sensor Manufacturer. This model is designed for overhead mounting applications where high magnetic activation accuracy, controlled switching current, and reliable performance over a long period are all required.
This switch is not designed for compact electronic devices or consumer products but rather made for industrial, automation, and access-monitoring use in which the mechanical positioning and magnetic sensing should remain the same under repeated operation.
1L-MSO-102L – Overhead Mount Magnetic Switch
Specifications:-
- Contact Rating : 10W/VA
- Switching Voltage (Max.) : 200 VDC
- Switching Current (Max.) : 0.5 Amp.
- Contact Resistance (Min.) : 150 milli ohms
- Life Expectancy : 10 x 10⁶ Operations
- Insulation Resistance : 10 9 ohms
- Shock Resistance : 30G for 11 mSec.
- Vibration Resistance : 20G ( 10 to 1000Hz)
- Plastic Material : ABS Plastic (Unless otherwise specified)
Product Overview
The 1L-MSO-102L Overhead Mount Magnetic Switch works by the use of a magnetic field to trip its internal normally open reed contacts. Paired with a compatible magnet and correctly aligned within its defined operating gap, the switch provides consistent and reliable switching for control and signalling circuits.
It is manufactured under strict quality standards, making this model perfect for installations where space barriers are medium but reliability and mechanical stability are important.
Design and Mounting Configuration
Construction of Overhead Mount
The overhead mount design of the 1L-MSO-102L allows the switch to be installed above the moving or monitored component. This organization is ideal for such applications where side or surface mounting is not feasible or where the overhead alignment provides better sensing accuracy.
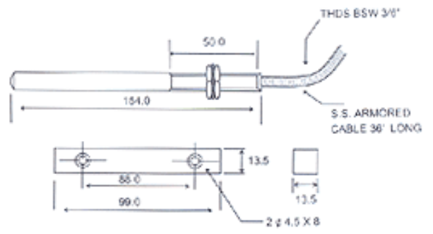
1/4" Press Fit Mini Switch
This model features a 1/4-inch press-fit mini body that enables secure installation into mounting holes. A better method of installation is a press-fit mechanism that reduces the need for additional hardware when mounting, making sure a firm hold is in place that opposes vibration and movement during operation. This way, not only will installation be fast, but also the long-term mechanical probity will be maintained.
Operating Characteristics
Operating Gap – 1/2\" (12 mm) Minimum
The 1L-MSO-102L offers minimum operating gap of 1/2 inch (12 mm). This defined gap ensures a reliable magnetic activation only when the magnet is within the calculating sensing distance. A controlled operating gap helps prevent false triggering and ensures the accurate position detection in overhead mounting applications where alignment accuracy is necessary.
18" Long Wire Leads
It is also provided with 18-inch long wire leads for added flexibility in mounting. The extended leads allow easy routing to control panels, monitoring circuits, or terminal blocks without requiring instant extensions or connectors that clarify combination into existing systems. Maximum Switching Current – 0.5 Amp
Technical Description for Model 1L-MSO-102L
The maximum switching current rating of 0.5 Amp in the 1L-MSO-102L is a design specification that is calculated from this model’s construction and application.
This magnetic reed switch uses compact, sealed reed contacts designed for accurate and repeatable switching instead high-power load handling. Limiting the switching current to 0.5 Amp Makes Sure:
- Long operational life of the reed contacts
- Minimum generation of heat in the contact points
- Prevention of contact welding or damage
- Stable switching over many cycles
Optimized for control, signalling, and status-detection circuits where reliability and stability are more important than high current capacity, the 1L-MSO-102L has a controlled current rating. This assures that the switch will perform exactly in its intentional overhead mount applications without needless electrical stress.
Application Suitability of 1L-MSO-102L
The 1L-MSO-102L Overhead Mount Magnetic Switch The application must be in which the mounting style, operating gap and electrical characteristics of this switch are suitable. Typical applications include:
- Industrial doors and shutters
- Electrical compound and panels
- Guarding of machines and covering safety
- Automation equipment position sensing
- Access control and monitoring systems
- Various interlock mechanisms on safety
It is a model intended for mechanical and industrial situations where overhead alignment and pre-defined sensing distance are required, hence it is not suitable for compact electronics such as laptops or consumer devices mounted on a PCB.
Manufacturing Excellence by 1 LEAP Technologies
As one of the leading Reed Sensor Manufacturers, 1 LEAP Technologies manufacture 1L-MSO-102L with focus on Durability, Stability and Uniqueness performance. Each switch is fabricated to demanding industrial requirement, while sustaining accuracy in magnetic response and electrical stability.
The 1L-MSO-102L is a dependable and proven solution for buying reed switch solutions intended for an overhead mounting application and current controlled.
Why Choose This Overhead Mount Magnetic Switch?
The 1L-MSO-102L Magnetic Overhead Switch Custom is optimized to achieve remarkable operation due to high sensitivity and strong functionality. Many installers and security specialists do not hesitate to recommend this product for to its distinctive tamper-resistant design and reliable switching.
As the top Surface Mount Reed Switch dealer in Delhi, we ensure all products comply and pass rigorous quality standards because we understand the importance of having reliable products. Whether you require small quantities of flexible supply options or large amounts for commercial installations, we guarantee you the best prices in the market.
