Leading Manufacturer of Magnetic Float Switches & Water Level Switches
Horizontal Float Switches are genuine liquid level sensing devices made for side mounting on tanks and containers. These magnetic float switches are hugely used for accurate liquid level monitoring and control over industrial and commercial applications. Due to their compact design, they are ideal for installations where top access is limited. These switches are also usually used as water level switches and float level switches in many fluid handling systems.
At 1 LEAP Technologies, we manufacture high-quality Horizontal Float Switches engineered for durability, accuracy, and long service life in demanding environments.
What are Horizontal Float Switches?
Horizontal Float Switches are a type of magnetic float switches installed on the side walls of tanks to detect liquid levels. They function efficiently as water level switches and float level switches, making them perfect for both simple and complex level control applications. Their side-mounted design makes them highly practical for compact tanks and enclosed systems where vertical installation is not workable.
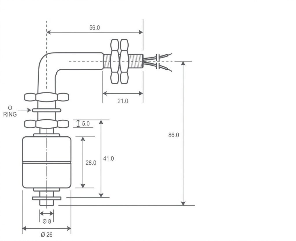
1L-FS-H1 Horizontal Float Switches
Specifications:- 1L-FS-V1
- CONTACT TYPE:- SPST- NO
- SWITCHING CAPACITY:- 10W/VA MAX.
- SWITCHING VOLTAGE:- 200 VDC MAX.
- SWITCHING CURRENT:- 0.5A MAX.
- CARRY CURRENT:- 1A MAX.
- LEAD WIRE:- 2 CORE, 2mtr. flat
- REVERSIBLE SWITCH ACTION:- YES
- BODY/FLOAT MATERIAL:- 30% GF NYLON
- SUITABLE SP. GRAVITY:- 0.6 - 0.7
1L-FS-H2 Horizontal Float Switch
Specifications:- 1L-FS-V2
- CONTACT TYPE:- SPST- NO
- SWITCHING CAPACITY:- 50W/VA MAX.
- SWITCHING VOLTAGE:- 200 VDC MAX.
- SWITCHING CURRENT:- 1A MAX.
- CARRY CURRENT:- 2A MAX.
- LEAD WIRE:- 2 CORE, 2mtr. flat
- REVERSIBLE SWITCH ACTION:- YES
- BODY/FLOAT MATERIAL:- 30% GF NYLON
- SUITABLE SP. GRAVITY:- 0.6 - 0.7
1L-HS-SS Horizontal Stainless Steel Float Switches
Specifications:- 1L-FS-SS
- CONTACT TYPE:- SPST- NO
- SWITCHING CAPACITY:- 50W/VA MAX..
- SWITCHING VOLTAGE:- 200 VDC MAX.
- SWITCHING CURRENT:- 1A MAX.
- CARRY CURRENT:- 2A MAX.
- LEAD WIRE:- 2 WIRE (Teflon), 2 Mtr.
- REVERSIBLE SWITCH ACTION:- YES
- BODY/FLOAT MATERIAL:- Stainless Steel
- SUITABLE SP. GRAVITY:- 0.6 - 0.7
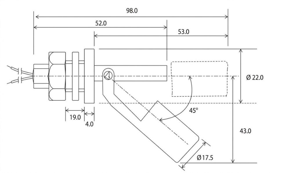
How Do Horizontal Float Switches Work?
Horizontal Float Switches work on a magnetic principle. A float with an internal magnet moves with the liquid level. As the level changes, the float rotates along a horizontal axis. Inside the stem, a sealed reed switch is activated by the magnetic field. This action opens or closes the electrical circuit, enabling control of alarms, pumps, or automation systems.
This working mechanism makes them highly efficient magnetic float switches, hugely used as water level switches and float level switches in industrial automation.
Applications of Horizontal Float Switches
Horizontal Float Switches are used in a huge range of industries due to their reliability and versatility. Common applications include:
- Water tanks and reservoirs (as water level switches)
- Industrial process control systems
- Chemical and storage tanks
- HVAC systems
- Oil and fuel level monitoring
- Food and beverage processing equipment
Usage Areas
These magnetic float switches are ideal for many level control functions such as:
- High and low level indication
- Automatic pump control
- Overflow prevention
- Dry run protection
As water level switches, they are particularly useful in compact systems where space and accessibility are limited.
Types of Body Materials
To suit different environments and liquids, our Horizontal Float Switches are available in multiple materials:
Plastic (Polypropylene / Nylon)
Best suited for water and mild chemicals. Lightweight and economical, commonly used in water level switches.
Stainless Steel (SS304 / SS316)
Ideal for harsh environments, high temperatures, and corrosive liquids. Provides better durability for industrial-grade magnetic float switches.
Why Choose 1 LEAP Technologies?
- High-quality magnetic float switches with accurate engineering
- Reliable performance as water level switches and float level switches
- Multiple material and configuration options
- Long service life with minimal maintenance
- Perfect for industrial and commercial applications
Our Product Range
At 1 LEAP Technologies, we provide a huge range of Horizontal Float Switches made for different applications and industries. Our products are hugely used as magnetic float switches, water level switches, vertical level switches and float level switches, making sure an accurate and reliable performance. Explore our 5 models below to find the best solution for your requirements.
